汽车上各种电子电器装置繁多,电路密集、纵横交错,如果不从电路原理图上掌握其连线规律,诊断电路故障就比较困难。要修好汽车电器设备,必须读懂和掌握汽车电路图。尤其是初学者,更要学会如何读汽车电路图。各类汽车电路图的识别通常有以下识图要领。
认真读几遍图注汽车电路图上的图注说明了该汽车所有电器设备的名称及其数码代号,通过读图注可以初步了解该汽车都装配了哪些电器设备。然后通过电器设备的数码代号在电路图中找到该电器设备,再进一步找出相互连接线、控制关系。这样就可以了解该汽车电路的特点及基本的配置电器设备。
牢记电器图形符号汽车电路图是利用各种电器图形符号来表示其构成和工作原理的。因此,必须牢记电器图形符号的含义,才能看懂电路原理图。对于汽车电器线路图,由于线路中零部件或元器件多以其外形轮廓的示意形状表示,因此,对于这些外形轮廓的形状也应熟记。
熟记电路标记符号为了便于绘制和识读汽车电器电路图,有些电器装置或其接线柱上都赋予不同的标志代号,如表1-46中所列。

表1-46电器装置或其接线柱上赋予不同的标志代号举例
(1)点火开关的接线柱标记
在汽车电路图上,不同类型、不同品牌的车辆,其点火开关的接线柱上的标记也不一样,较常见的标记归纳起来如表1-47中所列。

表1-47汽车电路图上点火开关的接线柱上较常见的标记
(2)国产汽车交流发电机电子电压调节器接线柱上的标记
电子电压调节器的引脚不多,但如搞不清其接线柱上的标记功能,在识图时往往无法对其进行分析,也会影响故障检测、修理和代换。
国产汽车上常用的电子电压调节器大多为三个接线端,这三个接线端的标记及其含义如表1-48中所列。
表1-48国产汽车上常用的电子电压调节器三个接线端的标记及其含义

表1-48
对于超过三只引脚的电子电压调节器的识别,可先找出上述三只主要引脚,然后再通过观察它与其他电器的连接情况来确定,一般有如表1-49中所列的规律。
表1-49国产汽车上常用的电子电压调节器其他接线端的标记及其含义

(3)日本汽车交流发电机电子电压调节器接线柱上的标记
日本各公司生产的集成电路电压调节器有两种不同的接线方式,这两种接线方式电子电压调节器接线柱上的标记方式识别方法如下。
①采用交流发电机电压检测法的调节器日本各公司采用交流发电机电压检测法的调节器接线端的常用标记如表1-50中所列。
表1-50日本各公司采用交流发电机电压检测法的调节器接线端的常用标记

②采用蓄电池电压检测法的调节器日本各公司采用蓄电池电压检测法的调节器接线端的常用标记如表1-50中所列。
(4)英国汽车交流发电机电子电压调节器接线柱上的标记
英国汽车交流发电机使用的集成电路电子电压调节器接线端的常用标记如表1-51中所列。
表1-51英国汽车交流发电机使用的集成电路电子电压调节器接线端的常用标记

(5)俄罗斯汽车交流发电机电子电压调节器接线柱上的标记
俄罗斯汽车交流发电机使用的集成电路电子电压调节器接线端的常用标记如表1-52中所列。
表1-52俄罗斯汽车交流发电机使用的集成电路电子电压调节器接线端的常用标记

(6)德国博世、法国汽车交流发电机电子电压调节器接线柱上的标记
德国博世(BOSCH)、法国汽车交流发电机电子电压调节器接线柱上的标记方法十分类似。前者生产的集成电路电子电压调节器的型号前缀通常采用“EE”来表示,例如,EE14V表示为集成电路14V系列调节器;EE28V表示为集成电路28V系列调节器。
德国博世(BOSCH)、法国汽车交流发电机电子电压调节器接线柱上的常用标记如表1-53中所列。
表1-53德国博世(BOSCH)、法国汽车交流发电机电子电压调节器接线柱上的常用标记

在汽车电路中,任何一个完整的电路都是由电源、熔断器、开关、用电设备、导线等组成的。电流流向必须从电源正极出发,经过熔断器、开关、导线等到达用电设备,再经过导线(或搭铁)回到电源负极,才能构成回路。这样的电路才是正确的,否则就是读错了或查错了。具体方法如下:可以沿着电路电流的流向,由电源的正极出发,“顺藤摸瓜”查到用电设备、开关等,回到电源负极。也可逆着电路电流的方向,由电源负极(搭铁)开始,经过用电设备、开关等回到电源正极,尤其是查寻一些不熟悉的电路,后者方法比前者更为方便。
牢记搭铁极性我国和世界各国都规定了汽车电器电路为负极搭铁。过去曾经有采用正极搭铁的汽车,但这类车型已很旧,现在已很少见到。
掌握各种开关在电路中的作用对多层、多挡位接线柱的开关,要按层、按挡位、按接线柱逐级分析其各层各挡的功能。有的用电设备受两个以上单挡开关(或继电器)的控制,有的受两个以上多挡开关的控制,其工作状态比较复杂。当开关接线柱较多时,首先抓住从电源来的一两个接线柱,逐个分析与其他各接线柱相连接的用电设备处于何种挡位,从而从中找出控制关系。
对于组合开关,实际物体是在一起的,但在电路图中为了使图线简单、明了,往往按其功能分别画在各自的局部电路中,遇到这种情况必须仔细研究识读,可以从其标记代号上加以识别。
掌握开关、继电器的初始状态在汽车电路图中,各种开关、继电器都是按初始状态画出的,即按钮没有按下、开关未接通,继电器线圈没有通电,其触点未闭合(指常开触点)或没有打开(指常闭触点),这种状态称为原始状态。
(1)按开关的工作状态进行分析
但在识读汽车电路图时,往往不能完全按原始状态分析,否则很难理解电路的工作原理,因为大多数用电设备都是通过开关、按钮、继电器触点的变化而改变回路,进而实现不同的电路功能。所以,必须按开关的工作状态进行分析。例如,刮水器就是通过刮水开关挡位的变化来实现间歇、低速、高速刮水功能的,必须把三种工作状态的电压走向读通,这对于理解工作原理、轻松读懂电路有很大的帮助。
(2)多挡开关的识读方法
汽车大多数用电器或电子设备都是通过开关(包括电子开关)或继电器的不同状态而形成回路,或改变回路实现不同的功能的。对于采用组合开关的电路,还应注意蓄电池(或发电机)电流是通过什么路径到达这个开关的,中间是否经过其他开并或熔断器,火线接在开关的哪个接线柱上;多挡开关共有几个挡位,开关内部有几个同时或分别动作的触点,在每一挡位各接通或关断哪些电器;组合开关由哪些开关或按钮组合而成,各通过哪些触点接通电路或改变回路等。
对于组合开关,在线路图中是画在一起的,而在电路图中又按其功能画在各自的局部电路中,遇到这种情况必须仔细研究识读。
掌握电器装置在电路图中的位置在汽车电子电器系统中,有大量的电器装置是机电合一的,如各种继电器,还有多层多挡组合开关。这些电器装置在电路图上表示时,厂家为了使画法既简单(便于画图)又便于识图,多根据实际情况采用集中表示法或分开表示法来反映电路的连接情况。
(1)集中表示法
集中表示法就是把一个电器装置的各组成部分,在图上集中绘制的一种方法。此法仅适用较简单的电路。
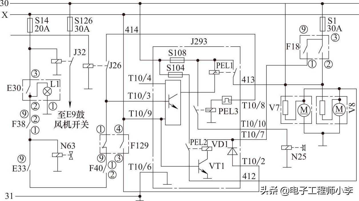
例如,图1-9为桑塔纳2000GSi轿车空调控制系统电路。在该图中,空调控制器J293就采用集中表示法,它将三只不同作用的继电器集中画在一起,用虚线框围起来表示是一个组件。这三只继电器的作用及受控过程如下。

图1-9桑塔纳2000GSi轿车空调控制系统电路示意图
E30—空调开关(A/C开关);E33—蒸发器温度控制开关;F18—散热器风扇温度控制开关;F38—环境温度开关;F40—空调器水温控制开关;F129—高、低压开关;J26—压缩机切断继电器;J32—空调器继电器;J293—空调控制器;L1—空调指示灯;N25—压缩机电磁离合器;N63—进风门电磁阀;PEL1—继电器1;PEL2—继电器2;PEL3—继电器3;S1—散热器风扇熔断器;S14—空调开关及空调继电器熔断器;S104—散热风扇高速挡熔断器;S108—散热风扇低速挡熔断器;S126—鼓风机熔断器;V7,V8—散热器风扇电动机(左、右)
①空调指示灯L1电路电流路径为:X电源线→空调熔断器S14→空调开关E30→空调指示灯L1→搭铁。
②进风门电磁阀N63电路电流路径为:X电源线→空调熔断器S14→空调开关E30→环境温度开关F38→进风门电磁阀N63→搭铁。
③N25与V7、V8电路当发动机工作时,发动机电控单元ECU(J220)的T80/8端子输出的高电平,使压缩机切断继电器J26吸合,其电流通路为:X电源线→空调熔断器S14→空调开关E30→环境温度开关F38→蒸发器温度控制开关E33→空调水温控制开关F40→高、低压开关F129(①、②端子)→压缩机切断继电器J26→空调控制器J293的T10/8端子和PEL3继电器的线圈→搭铁,使PEL3触点闭合,电流从30号电源线经散热器风扇低速挡熔断器S108、PEL3触点、压缩机电磁离合器N25后搭铁。
同时,空调控制器J293内的PEL1继电器工作,接通了左、右散热器风扇电动机V7、V8电路(通过电阻),使左、右散热器风扇低速运行,制冷系统工作。
④高、低压及其他保护若系统压力高于1.45MPa,高、低压开关F129(③、④端子)则闭合,电流路径为:X电源线→F129③端子与④端子→VD1二极管→空调控制器J293内的PEL2继电器和晶体管VT1→搭铁。
上述电流通路使PEL2触点闭合,通过30号电源线、散热器风扇高速挡熔断器S104、PEL2触点向V7、V8供电,使散热器风扇高速运转。
当发动机电控单元ECU(J220)有故障或急加速工况时,发动机电控单元ECU的T80/8端子输出低电平。使压缩机切断继电器J26不工作,也就切断了空调控制器内PEL3继电器线圈的供电,从而使压缩机停止工作。
(2)分开表示法
随着汽车电器电路日趋复杂,一个电器装置由较多的组成部分(如组合开关等),若集中画在一起,则容易引起线条往返和交叉线过多,造成识图和用图困难。再如继电器线圈、触点,有时绘制在一起也容易引起线条往返和交叉线过多,造成识图困难。这时多采用分开表示法,即把继电器的线圈、触点分别画在不同的电路中,如图1-10所示是神龙富康ZX系列轿车水温控制电路,用同一文字符号或数字符号将分开部分联系起来。
在图1-10电路中,由水温传感器1,水温电子控制器2和3个风扇控制继电器KAJ1-1、KAJ1-2、KAJ1-3及2个风扇电动机构成了该系列轿车的冷却散热系统。在该系统中,KAJ1-1~KAJ1-3是一只组件内封装的三个继电器,它们分开画在不同的控制电路中,用KAJ1来将它们联系起来属同一个继电器,而用KAJ1-1表示是KAJ1继电器中的第1个继电器,用KAJ1-2表示是KAJ1继电器中的第2个继电器,用KAJ1-3表示是KAJ1继电器中的第3个继电器。

图1-10神龙富康ZX系列轿车水温控制电路
通过局部电路及其连接关系识读整车电路在读懂局部电路的工作原理基础上,再通过各局部电路中的连接关系,尤其是电源电路的连接关系,也可以弄清楚整车电路的工作原理。
浏览全图,框画各个系统要读懂汽车电路图,首先必须掌握组成电路的各个电器元件的功能和电器特性。根据电路图上的电气图形符号及文字符号,首先对全车电气设备的概况作全面的了解。在大概掌握全图的基本原理的基础上,再把一个个单独的电器系统(即局部电路,或称为单元电路)框画出来(或单独画出来),这样就容易抓住每一部分的主要功能及特性。这样做的优点有以下两方面。
(1)发现特点
在同一局部(单元)电路中,各电气设备间的联系比较紧密,而与其他局部(单元)电路的联系较松散,通过这种框画以后,就比较容易发现其特点,便于进行工作原理的分析和确定故障的可能范围。
(2)发现异同
许多汽车的某些局部(单元)电路是相同或大同小异的,这样只要略作比较,便可知道其异同,从而可以举一反三。
在框画各个系统时,应注意既不能漏掉各个系统中的组件,也不能多框画其他系统的组件,一定要遵守回路原则,其一般规律是:各电器系统只有电源和总开关是公共的,其他任何一个系统都应是一个完整的独立的电器回路,即包括电源、开关(保险)、电器(或电子线路)、导线等,并从电源的正极经导线、开关、熔断器至电器后搭铁,最后回到电源负极,否则所框画出的系统(单元电路)图就不正确。
在看电路图时,应先找出电源部分,然后从电源火线到熔断器、开关,再往下找到用电设备,最后找搭铁点。
熟记各局部电路之间的相互关系如上所述,汽车全车电路基本上由电源电路、充电电路、启动电路、点火电路、照明电路、辅助电器设备电路等单元电路组成。从整车电路来讲,各单元(局部)电路除电源电路公用外,其他单元电路都是相对独立的,但它们之间也存在着内在联系和相互影响。因此,识图时,不但要熟悉各局部电路的组成、特点、工作过程和电流流经的路径,还要了解各局部电路之间的联系和相互影响。这是掌握汽车电路的一个重要环节,也是实现准确判断和迅速找出故障部位、排除故障的必要条件。
识读汽车电路图时应顺着电流流向看图任何汽车电路都应是一个完整的电路回路,其中包括电源、开关(或熔器)、电器(或电子线路)、导线和连接器等,并从电源正极经导线、开关(或熔断器)至用电器后接地,回到同一电源的负极,这样的电路才是正确的,否则那就是读错了或查错了回路。这个简单而重要的原则无论在读什么电路图时都是必须遵守的。
具体来讲,读看汽车电路图时应注意,电流一定要能构成闭合回路;电源线有交点时,此处有并联支路;查看开关时,注意其不同挡位的通断以及各输出导线的走向;各系统电源线起点是不同的,如信号系统从点火开关得到电源,而照明系统一般从照明开关开始读图。在识读图时,还应找出各个系统的电源线,顺着电流的走(流)向找出该单元的控制开关和用电设备,最后到公共接地线为止。当然也可逆着电路电流的方向,从电源负极(接地)开始,经过用电设备、开关等回到电源正极。尤其是查寻一些不太熟悉的电路,而后者比前者更为方便。
熟悉线束色标的规律在通常情况下,汽车上导线用什么颜色,在电路图上就用相应的字母或标记标注什么颜色,二者一一对应。导线的颜色通常在应用时也有一定的规律,如红色线大多为控制火线,棕色或黑色为搭铁线,白、黄色线用于控制灯,蓝色线大多用于指示灯或传感器,绿、红/黑或绿/黑线多用于脉冲式的用电器等。各国汽车用导线的情况不是太一样,这些内容在上面已介绍过,不再重述。
对于大众系列车型来说,通常火线代号为30,搭铁线的代号为31,受控制的大容量用电设备供电线的代号为X,受控制的小容量用电设备供电线的代号为15。
以上这些典型的特征,在电路图里或电器零件上到处可见,掌握了这些特征,对识图很有帮助,也会使维修效率提高。
先易后难各个击破有些汽车电路图的某些局部电路可能比较复杂,一时难以看懂,可以暂时将其放一放,待其他局部电路都看懂后,结合看懂图中与该电路联系的有关信息,再来进一步识读这部分电路。
解剖典型电路,以便于触类旁通尽管目前市场上的汽车品种型号繁多,对于同一类型、同一系列、同一品牌的汽车来说,很多车型的许多局部电路都是相同或相近的;有些同一品牌、同一系列的局部电路甚至连标记代号都是相同的。因此,通过解剖某些有代表性的典型电路,掌握其接线特点和原则,就可以了解到许多其他类似车型的电路,以此来达到触类旁通的目的。
要善于请教和查找资料新的汽车电器设备不断地出现和应用在汽车上,汽车电路图的变化很大。对于看不懂的电路要善于请教有关人员,同时还要善于查找资料,直至看懂或弄明白。
了解电子控制系统电路接线的特点随着现代汽车电子技术的进步和飞速发展,电子控制装置逐渐增多,其电路也更为复杂化,因此应注意以下几点。
(1)了解电子控制装置的功能
首先要了解电子控制装置的功能,它控制哪些元器件、控制哪些物理量,有些ECU是控制点火系统的,有的是控制燃油喷射的,有些是控制自动变速器的,还有控制ABS的……
(2)掌握各种主要元件的名称、安装部位、功用、结构原理
①掌握各种传感器的名称、安装部位、功用、结构原理及主要技术参数。例如断电状态下的阻值,通电状态下的电位高低、电流值等,以及各种传感器的信号电压是模拟量、脉冲量还是开关量;
②掌握各种执行器的名称、安装部分、功用、结构原理及主要技术参数指标。
(3)找到ECU的位置与功能作用、连接特点
①找到ECU、各传感器、各执行器在车上的安装位置,区别插接器及其端子的排列序号、区别各元器件的外形特征。
②了解ECU内部主要功能块的作用,掌握各传感器,执行器之间的接线端子序号、字母代号,各端子之间的正常电压或阻值。
③ECU控制电路必须受点火开关控制,ECU工作一般有开环与闭环两种模式控制。
④ECU必须有各种传感器随时输入工况信号,且具有自诊断功能。
了解电控汽车元器件的各种别称我国市场上的汽车品种很多,既有国产品、合资品,也有进口品,尤其是后者在外文翻译成中文的过程中,会出现不规范的叫法,也就是“别称”。例如,同一种电器元器件,在不同国家的电路图、不同书刊、不同的文章,甚至同一篇文章前后的叫法也不一样,这就给读图带来了一定的困难,尤其是初学者,应该熟悉汽车电路图中常用零部件或元器件的各种别称,以便于轻松读懂各类车辆的电路图。表1-54中列出了电控车辆常用零部件或元器件等的各种别称,共识图时参考。
表1-54电控车辆常用零部件或元器件的各种别称

续表

要轻松识读和读懂汽车全车电气电路图及总线路,可以参考下列方法与步骤进行。
①对该车所使用的电气设备结构、原理有一定了解,知道它们的规格标准、编号、导线色码及其走向。
②认真识读线路图,了解全车所用电气设备的名称、数量和实际安装位置,设备所用的接线柱数量、名称、插接器形式和数量等。
③识读电气原理图应了解主要电气设备的各接线柱和哪些电气设备的接线柱相连;该设备的分线走向;分线路上开关、熔断器、继电器的作用;控制方式和工作基本过程。
④识读线束图应了解该车有多少束线束,各线束名称及在汽车上的安装位置;每一线束的枝叉通向哪个电气设备,每一分枝叉有几根导线及它们的颜色和标号,连接在哪些接线柱上;该车有哪些插接器以及它们之间连接情况。
⑤识读电气元件图应了解各用电器元件的接线柱极性,如蓄电池及仪表,有的元件是不能接错的,应特别注意。
⑥汽车电气电路中有许多部分是类似的,都是性质相同或基本相同的回路,不同的只有个别情形,所以识读图要抓住典型电路,触类旁通。
识读汽车电路图要领总结综上所述,识读汽车电路图时,如果不从电路原理上掌握其连线规律,诊断线路故障就比较困难。不过,掌握以上这些识图的基本知识,只是为识读电路图打下一定的基础,要实现快速、准确地找出汽车电路中的故障,还需要不断地学习与实践。只有这样,在对汽车电气系统进行故障诊断时,才可以真正做到按图索骥,达到事半功倍的效果。